Iphone Charger Wiring Diagram Yobbgsm: Iphone Charger Circuit!
Wireless iphone charging convert charger mashtips protection failure voltage avoid temperature device battery etc additional current features any

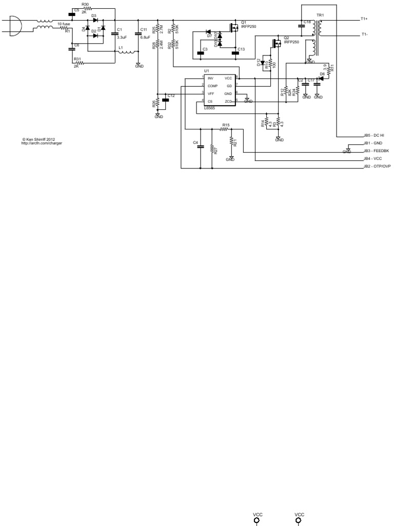
How to convert old iphone (iphone 5/6/7) to wireless charging?. Iphone charger pinout usb circuit connector cable schematic wiring rs232 rj45 ethernet dvi vga. Wireless iphone charging convert charger mashtips protection failure voltage avoid temperature device battery etc additional current features any. Iphone diagram wiring wire battery colors log diy fisher michael web











Tidak ada komentar:
Posting Komentar